BÀI 9: CHẠY HAI CHẾ ĐỘ TRÊN 2 HỆ THỐNG(DELTA)
BÀI 9: CHẠY HAI CHẾ ĐỘ TRÊN 2 HỆ THỐNG(DELTA)
BÀI 9: CHẠY HAI CHẾ ĐỘ TRÊN 2 HỆ THỐNG(DELTA)
BÀI 9: CHẠY HAI CHẾ ĐỘ TRÊN 2 HỆ THỐNG(DELTA)
BÀI 9: CHẠY HAI CHẾ ĐỘ TRÊN 2 HỆ THỐNG(DELTA)
BÀI 9: CHẠY HAI CHẾ ĐỘ TRÊN 2 HỆ THỐNG(DELTA)
Tài liệu
BÀI 9: CHẠY HAI CHẾ ĐỘ TRÊN 2 HỆ THỐNG(DELTA)
I. Nội dung
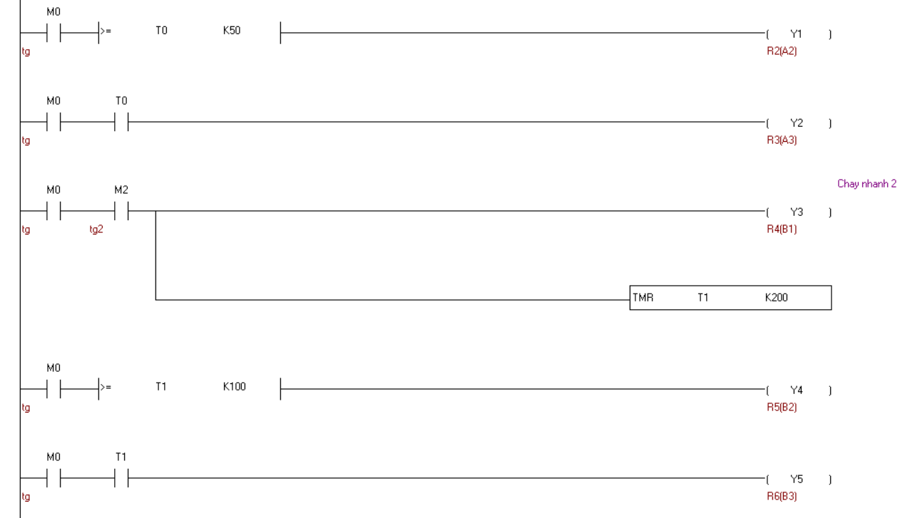
- Cho 6 đèn: A1, A2, A3, B1, B2, B3. Một công tắc S.
- Nếu S = 1: Start A1 sáng, 5s sau A2 sáng, 5s sau A3 sáng.
- Nếu S = 0: Start B1 sáng,10s sau B2 sáng, 10s sau B3 sáng.
II. Thiết bị
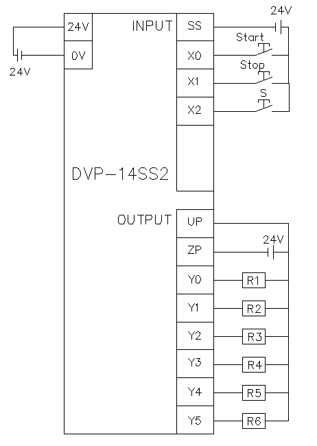
- PLC Delta DVP-14SS211T(Output NPN).
- Nút nhấn Start, Stop.
- 6 Relay tương ứng 6 đèn.
III. Yêu cầu
- Vẽ sơ đồ kết nối phần cứng.
- Vẽ lưu đồ giải thuật.
- Lập bảng địa chỉ.
- Viết chương trình.
IV. Bài làm
1. Vẽ sơ đồ kết nói phần cứng
2. Lưu đồ giải thuật
3. Bảng địa chỉ
| Địa chỉ | Biểu tượng |
| X0 | Start |
| X1 | Stop |
| X2 | S |
| Y0 | R1(A1) |
| Y1 | R2(A2) |
| Y2 | R3(A3) |
| Y3 | R4(B1) |
| Y4 | R5(B2) |
| Y5 | R6(B3) |
4. Viết chương trình
Code mình sẽ để ở dưới.




Video hướng dẫn


